 |
Estudo e Detalhamento de Projetos Para: |
|
→ |
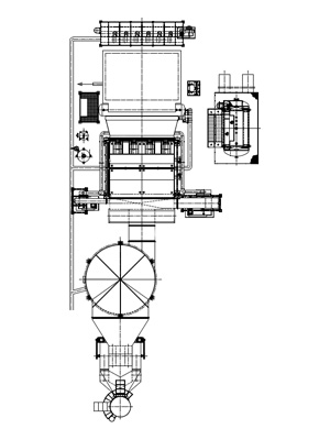
Caldeiras |
|
→ |
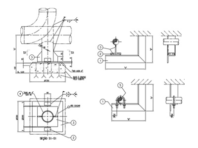
Tubulações industriais |
|
→ |
Estruturas metálicas / Escadas e plataformas |
|
→ |
Refratários e Isolantes |
|
→ |
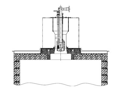
Vasos de pressão |
 |
→ |
Tanques |
 |
→ |
Caldeiraria em geral (dutos, moegas, chaminés) |
|
→ |
Lay out |
|
→ |
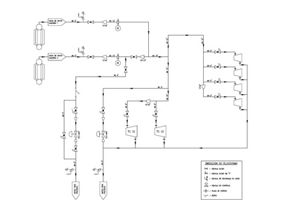
Fluxogramas |
 |
→ |
Detalhamento de desenhos conforme padrões do cliente |
|
→ |
Listas de materiais conforme padrões do cliente |
 |
|
|